服务电话
一、电压互感器及其二次回路的重要性:
电压互感器作为一重要的一次设备在电力系统中发挥着重要的作用。同时,因为电压互感器是一种公用设备,无论是互感器本身出现问题或是其二次回路出现问题,都将给整个二次系统带来严重影响。保障电压互感器及其二次回路的稳定运行至关重要。

二、电压互是器的作用
1.将电力系统的一次电压按一定的变比缩小为要求的二次电压,供各种二次设备使用。
2.使二次设备与一次高压隔离,保证人身和设备的安全。
三、电磁式电压互感器的工作原理

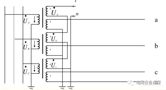
(1)工作原理
电压互感器的主要结构和工作原理类似于变压器。如图所示,电压互感器的一次线圆匝数M1很多,并接于被测高压电网上,二次线圆匝数N2较少,二次负荷比较恒定,接于高阻抗的测量仪表和继电器电压线圈,正常运行时,电压互感器接近子空载状态。
(2)电压互感器的变比
电压互感器一、二次线圈额定电压之比,称为电压互感器的额定变比,即Kn=U1n/U2n
其中,一次线圆额定电压U1n是电网的额定电压(10、35、110、220、500KV等)二次电压则统一定为100或100√3V,所以Kn也标准化。
(3)电压互感器的分类
1、按照结构分类:
三相式:
三相三柱式
三相五柱式

单相电压互感器
2、按照安装位置不同
母线PT:测量母线电压
线路PT:测量线路电压
3、按照原理分类

(4)单相电压互感器的接线方式
1、两个单相电压互感器接成VV形接线方式

两个电压互感器分别接于线电压UAB和UBC上,一次绕组不能接地,二次绕组为安全,一端接地,这种接线方式适用于中性点非直接接地或经消弧线圈接地系统
1)只用两个单相电压互感器可以得到对称的三个线电压
2)不能测量相电压
3)一次绕组接入系统线电压,二次绕组电压为100V.当继电保护装置和测量表计只需用线电压时,可采用这种接线方式。
2、三个单相电压互感器接星型接线方式

一次绕组接成星形,互感器接于相一地之间,因此,测量的是相对地电压,而并非各相与中性点之间电压,一次绕组接地属于工作接地,
电压互感器的一次绕组阻抗极高,即使是在中性点直接接地或经消弧线圈接地的系统中,虽然电压互感器一次绕组中性点接地,但并不表示该系统中性点接地。
四、电压互感器的保护措施
1、60kV及以下系统,一次侧一般经过隔离开关和熔断器接入高压电网。
电压互感器一次侧熔断器的作用:
(1)保护电压互感器本身,当电压互感器本身故障时,熔断器迅速熔断,防止事故扩大;
(2)防止高压电网受电压互感器本身及其引线的影响。
2、110kV及以上系统,电压互感器一次侧不装熔断器
(1)主要原因是考虑到系统灭弧问题较大,熔断器的断流容量亦很难满足要求,熔断器制造困难;
(2)这一类互感器采用单相串级式,绝缘强度高,发生事故的可能性比较小;
(3)110kV及以上系统,中性点一般采用直接接地,接地故障时,瞬时跳闸,不会过电压运行。
3、电压互感器的二次侧:
(1)装设熔断器或低压断路器,当电压互感器二次侧及回路发生故障时,能够快速熔
断或切断,保证电压互感器不遭受损坏及不造成保护误动。
(2)计量、测量二次绕组装设熔断器。
(3)保护用二次绕组装设快速低压断路器。
五、电压互感器高压侧熔丝熔断原因分析
1、互感器内部线圈发生匝间、层间或相间短路及一相接地故障。
2、电压互感器一、二次回路故障,可能造成电压互感器过流。
3、中性点接地系统中发生一相接地时,其他两相电压升高√3倍:或者由于间歇性电弧接地,可能产生数倍的过电压,使互感器铁芯饱和,电流增加造成熔丝熔断。
4、系统发生铁磁谐振。在中性点不接地系统中,由于发生单相接地或用户电压互感器数量的增加,使母线或线路的电容与电压互感器的电感构成振荡回路,引起谐振,造成过压、过流。
电压互感器二次侧熔丝熔断原因
1、因人为原因引起的各种二次回路短路;
2、保护及自动装置元件损坏,引起电压二次回路短路;
3、二次回路导线受潮、腐蚀及损伤而发生一相接地,及相接地短路故障;
4、电压互感器内部存在着金属性短路,也会造成电压互感器二次回路短路。
注:二次熔丝熔断时,运行人员应及时更换二次熔丝。若再次熔断,则不应再更换,应查明原因后再处理。此时禁止进行两台TV二次侧的并列操作,防止将故障引入另一台TV。
电压互感器操作注意事项
1、电压互感器送电时必须先合一次侧后合二次侧,停电时先停二次侧后停一次侧,防止反送电危及设备安全。(反送电:运行中的电压互感器由二次向不带电的电压互感器反送电,造成运行中电压互感器二次熔断器熔断,低压开关跳开,引起保护装置及自动装置失压)
2、两段PT二次并列时,一次必须先并列(防止反送电)
3、在倒换PT前必须先将PT并列运行(防止二次设备在PT倒换过程中失压)。
4、双母线各有一组电压互感器,在母线元件倒闸操作时,保护装置用的交流电压应与元件所在母线相一致。
5、二次电压回路使用中间继电器,由隔离开关辅助触点联动实现自动切换方式时:
5.1当两组电压切换继电器同时动作供给电压时应发出信号,此时不允许操作母联断路器。(双母线运行的保护都有“切换继电器同时动作”这一信号)
5.2当电压自动切换回路发生不正常现象时,应报告调度,将涉及范围的保护停用或切换到另一组母线电压回路上,然后才能进行处理。
5.3运行中的隔离开关不允许进行辅助触点维修工作。
停用电压互感器时注意事项
1、不使保护及自动装置失去电压。
2、必须进行电压切换
3、防止反充电,取下二次熔断器(包括电容器)。
4、二次负荷全部断开后,断开互感器一次侧电源。
六、电压谐振
1、铁磁谐振:电网中大量非线性电感元件(变压器、电磁式电压互感器)在正常状态下,工作在励磁特性的非饱和区,但在暂态过程中(例如由于接地故障或断路器操作),电感工作状态会跃变到饱和区,电感上电压或其中通过电流突然异常上升,这种现象就是铁磁谐振。
2、谐振原因:中性点接地系统的110、220kV变电站母线上,通常连接电磁式电压互感器,因而PT是一种非线性电感元件,当发生断路器或刀闸操作,导致母线通过断路器的均压电容供电时,暂态过程可诱发铁磁谐振,结果引起PT和母线上电压急剧增加,PT中电流大幅上升,导致PT烧毁,外绝缘闪烙或避雷器爆炸等事故。
3、谐振分类:依据谐振电压的频率,铁磁谐振可分为工频、分频、和高频谐振,在中性点接地系统空母线上发生较多的是工频谐振。

SF6气体绝缘电压互感器
七、电压互感器的巡视检查
电压互感器运行于母线上,互感器故障相当于母线故障,因此,必须加强巡视:
1、互感器瓷瓶是否清洁、完整,有无损坏及裂纹,有无放电现象。
2、电压互感器的油位,油色是否正常,有无漏油现象,
3、互感器内部声音是否正常。
4、高压侧引线是否接触良好,有无过热现象,二次回路电缆及导线有无损伤,高压熔断器限流电阻及断线保护用电容器是否完好。
5、互感器二次侧和外壳接地是否完好。
6、端子箱是否清洁、受潮。

油浸式电压互感器
八、电压互感器在异常情况下必须退出运行
1、高压侧熔断器连续熔断二、三次。
2、引线端子松动过热。
3、内部出现放电异音或噪声。
4、见到放电,有闪络危险。
5、发出臭味或冒烟。
6、溢油。
发现上述情况,立即汇报调度,解除有关保护,取下PT二次保险,并转移PT一、二次负荷将故障PT断开。禁止使用刀闸或打破熔断器法断开故障的PT,应让保险自动熔断。严禁就地用隔离开关或高压熔断器拉开有故障的电压互感器。
德力西空开型号规格,德力西开关接线图,德力西灯饰照明,德力西空气开关批发,德力西电线价格,德力西塑壳断路器,德力西墙壁开关,德力西变压器怎么样,德力西变频器价格,德力西电流互感器,德力西单相电子表,人民电器好还是德力西好,德力西kg316t时控开关设置说明书,德力西固态继电器,施耐德和德力西,德力西电焊机,德力西漏电保护器型号,德力西开关电源,德力西代理商,德力西变频器厂家,德力西交流接触器,德力西接触器,德力西怎么样,德力西集团公司,德力西熔断器,德力西厂家,德力西电话,德力西产品,德力西选型,德力西样本,德力西浪涌保护器,德力西继电器,浙江德力西,芜湖德力西,德力西旗舰店,德力西公司,德力西平台,德力西开关插座,德力西kg316t,德力西kg316t时控开关怎么解锁,德力西kg316t时控开关怎么调,德力西隔离变压器型号,电线品牌德力西,德力西塑料外壳式断路器,德力西定时开关插座,德力西断路器官方,德力西空开断路器型号,德力西断路器型号意思,德力西开关的型号,德力西高压断路器型号,德力西塑壳断路器型号大全,德力西官方,德力西塑料外壳断路器,德力西微断开关型号,德力西漏电开关断路,德力西电线和远东电线,德力西kg316t时控开关怎么设置,德力西电表怎么看度数,德力西国产,德力西产品介绍,德力西网页,上海德力西与德力西,德力西多少钱,德力西开关怎么样质量,德力西的插座质量好吗,德力西价格表,德力西专卖门店,德力西专卖店,德力西报价表,德力西 旗舰店,旗舰店 德力西